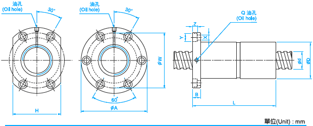
SFS8020滾珠絲杠參數
型號:SFS8020
絲桿外徑:77
導程:20
珠徑:9.525
螺母外徑:125
法蘭直徑:165
法蘭的厚度:25
螺母的長度:120
安裝孔之間的距離:145
法蘭的寬度:130
珠圈數:3.8×1
動額定負荷:12145
靜額定負荷:43598
剛性:128。
【滾珠絲杠副的應用及特點】
??? 滾珠絲杠副應用范圍比較廣,常用于需要精確定位的機器中。滾珠絲杠副應用范圍包括:機器人、數控機床、傳送裝置、飛機的零部件(如副翼)、醫療器械(如X光設備)和印刷機械(如膠印機)等等。
瀏覽SFS8020滾珠絲桿的用戶還會?
SFT8020滾珠絲杠、DFS8020滾珠絲杠等
SFT8020滾珠絲桿參數
型號:SFT8020
絲桿外徑:80
導程:20
珠徑:9.525
螺母外徑:143
法蘭直徑:204
法蘭的厚度:28
螺母的長度:180
安裝孔之間的距離:172
法蘭的寬度:148
珠圈數:2.5×2
動額定負荷:15642
靜額定負荷:59684
剛性:174。
【SFT8020的應用】
??? 滾珠絲杠機構作為一種高精度的傳動部件,大量應用在數控機床、自動化加工中心、電子精密機械進給機構、伺服機械手、工業裝配機器人、半導體生產設備、食品加工與包裝、醫療設備等各種領域。
SFT8020滾珠絲杠參數
型號:SFT8020
絲桿外徑:80
導程:20
珠徑:9.525
螺母外徑:143
法蘭直徑:204
法蘭的厚度:28
螺母的長度:240
安裝孔之間的距離:172
法蘭的寬度:148
珠圈數:2.5×3
動額定負荷:22169
靜額定負荷:89525
剛性:257。
瀏覽SFT8020滾珠絲桿的用戶還會?
DFT8020滾珠絲杠、SFU8020滾珠絲杠等。
DFU8020滾珠絲杠參數
型號:DFU8020
絲桿外徑80
導程:20
珠徑:9.525
螺母外徑:125
法蘭直徑:165
法蘭的厚度:25
螺母的長度:295
安裝孔之間的距離:145
法蘭的寬度:130
珠圈數:1×4
動額定負荷:12911
靜額定負荷:47747
剛性:187。
滾珠絲杠副間隙的危害性滾珠絲杠副間隙的危害性如下:
①數控機床的經濟精度降低。
②滾珠絲杠傳動的運動部件爬行,加工的零件表面有波紋。
③對于閉環傳動的系統,工作臺會出現“震蕩”,使機床報警無法正常工作。
④對于開環或半閉環的傳動,間隙過大會出現加工尺寸變化,不穩定,刀補尺寸不準確加工誤差增大。
⑤影響滾珠絲杠傳動副的剛性,加速對急劇下降。
⑥運動部件定位時,慣性量增加,過早損壞伺服電動機及聯軸節器,機床的定位精度無法保證。
瀏覽DFU8020滾珠絲桿的用戶還會?
SFU8020滾珠絲桿、DFV8020滾珠絲杠等。
DFT8020滾珠絲桿參數
型號:FT8020
絲桿外徑:80
導程:20
珠徑:9.525
螺母外徑:143
法蘭直徑:204
法蘭的厚度:28
螺母的長度:340
安裝孔之間的距離:172
法蘭的寬度:148
珠圈數:2.5×2
動額定負荷:15642
靜額定負荷:59684
剛性:235。
【不要將滾珠螺母與絲杠分開】
??? 滾珠絲杠副在出廠前已按用戶要求調整至所需預壓力.注意不要將螺母與絲杠分開,隨意拆開螺母組件將會導致鋼球散落,預壓力消失,一旦滾珠散落,如再強行裝上,會損壞返向器。重新組裝容易因組裝錯誤而使滾珠絲杠喪失功能,也容易導致灰塵的進人,使精度下降或導致故障。如確實必須分開,必須采用專用的工具.同時注意滾珠不要脫落,回流管不能碰撞、損傷.如發現滾珠散落,應及時與制造商聯系,由制造商提供支持。
![]()
瀏覽DFT8020滾珠絲桿的用戶還會?
DFS8020滾珠絲桿、DFV8020滾珠絲杠。
DFS8020滾珠絲杠參數
型號:DFS8020
絲桿外徑:77
導程:20
珠徑:9.525
螺母外徑:125
法蘭直徑:165
法蘭的厚度:25
螺母的長度:230
安裝孔之間的距離:145
法蘭的寬度:130
珠圈數:3.8×1
動額定負荷:12145
靜額定負荷:43598
剛性:174。
?
【DFS8020滾珠絲桿螺母副的潤滑】
潤滑使用潤滑劑,以提高耐磨性及傳動效率,從而維持傳動精度,延長使用壽命。常用的潤滑劑有潤滑油和潤滑脂兩類。潤滑脂一般在安裝過程中放進滾珠螺母的滾道內,為定期潤滑。使用潤滑油時應注意要經常通過注油孔注油。
瀏覽DFS8020滾珠絲桿的用戶還會?
DFV8020滾珠絲杠、SFU8020滾珠絲杠等。
DFV8020滾珠絲桿參數
型號:DFV8020
絲桿外徑:80
導程:20
珠徑:9.525
螺母外徑:143
法蘭直徑:204
法蘭的厚度:28
螺母的長度:340
安裝孔之間的距離:172
法蘭的寬度:148
珠圈數:4.8×1
動額定負荷:15103
靜額定負荷:57296
剛性:226。

【怎樣才能買到質量好的滾珠絲桿或正宗進口的滾珠絲桿】
1.從有信譽的代理商和企業的銷售公司購買。國內大型企業在各地一般都有自己的銷售分支機構,一般這些企業的分支機構是不會賣假貨的;國外知名品牌在國內一般都有自己的指定代理商,購買時要注意該商戶是否有代理證明。
2、直接找滾珠絲桿生產廠家購買。國內生產的滾珠絲杠及相關產品,可以直接找生產企業購買;國外品牌可以與該品牌的駐華機構聯系。
瀏覽DFV8020滾珠絲桿的用戶還會?
DFV8010滾珠絲杠、DFV4005滾珠絲桿等。
SFU8020滾珠絲杠參數
型號:SFU8020
絲桿外徑:80
導程:20
珠徑:9.525
螺母外徑:125
法蘭直徑:165
法蘭的厚度:25
螺母的長度:154
法蘭的寬度:130
珠圈數:1×4
動額定負荷:12911
靜額定負荷:47747
剛性:138.
?滾珠絲杠副的傳動效率
滾珠絲杠副的傳動效率用η (%) 表示,可分為正效率和反效率,如下圖所示。其中,正效率是指滾珠絲杠副的旋轉運動轉變成螺母的直線運動;反效率是指滾珠絲杠副的直線運動轉變成螺母的旋轉運動。為材料間的滾動或滑動摩擦系數。一般可取= 0.005。
SFU8020安裝注意事項
? 應確實找正滾珠絲杠副軸心線與導軌/螺母座/軸承座之間的平行和同心關系,否則有可能造成絲杠副永久變形而損壞,并且系統噪聲超出預期。嚴格保證螺母座孔與絲杠兩端的軸承座孔(及可能的電機座孔)同心,嚴格保證螺母座孔端面/軸承接觸端面/可能的電機連接端面與其孔中心垂直。切實理解并核實軸承內外圈的壓緊關系以及軸承內外圈的壓緊力,避免過度壓緊造成軸承卸荷或軸承實際未壓緊從而產生非預期的系統間隙。
瀏覽SFU8020滾珠絲杠的用戶還會?
SFU8010滾珠絲杠、SFU6320滾珠絲杠等。