當前位置: 滾珠絲桿網 ? 3206滾珠絲杠 ? DFV3206滾珠絲桿
DFV3206滾珠絲桿
雷研精密傳動設備有限公司供應DFV3206滾珠絲桿【貨源充足、價格合理、原裝正品、品牌齊全】滿足客戶的需求。請需要DFV3206滾珠絲杠的朋友聯系:黃志杰(經理)? 聯系電話:15802034588。
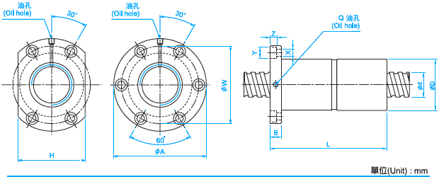
DFV3206滾珠絲杠參數
型號:DFV3206
絲桿外徑:32
導程:6
珠徑:3.969
螺母外徑:62
法蘭直徑:89
法蘭的厚度:12
螺母的長度:114
安裝孔之間的距離:75
法蘭的寬度:68
珠圈數:4.8×1
動額定負荷:3079
靜額定負荷:9575
剛性:95。
【溫度上升對策】
.盡可能降低發熱
.盡可能減少滾珠絲杠、支撐軸承的予壓量.
.加大滾珠絲杠的導程降低轉速。
.選擇適當的潤滑劑。(參照A-954上的潤滑相關產品)
.用潤滑油或冷氣等,對絲杠軸外部進行冷卻。
.盡可能避免因發熱所引起的溫度上升的影響
.把滾珠絲杠的基準運行距離的目標值定為負值。
? 一般來說考慮因發熱所引起溫度上升為2℃-5℃,將基準運行距離的目標值設定為負值。(-0.02mm~-0.06mm/m)。
瀏覽DFV3206滾珠絲杠的用戶還會?
DFV2508滾珠絲杠、DFV2506滾珠絲桿等。
滾珠絲杠討論①群263545937(專家在線為你解答)歡迎你的加入!
版權所有 © 轉載時必須以鏈接形式注明作者和原始出處!


