當前位置: 滾珠絲桿網 ? 5020滾珠絲桿 ? DFV5020滾珠絲杠
DFV5020滾珠絲杠
雷研精密傳動設備有限公司供應DFV5020滾珠絲杠【貨源充足、價格合理、原裝正品、品牌齊全】滿足客戶的需求。請需要DFV5020滾珠絲桿的朋友聯系:黃志杰(經理)? 聯系電話:15802034588。
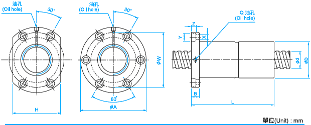
DFV5020滾珠絲桿參數
型號:DFV5020
絲桿外徑:50
導程:20
珠徑:9.525
螺母外徑:105
法蘭直徑:152
法蘭的厚度:28
螺母的長度:221
安裝孔之間的距離:128
法蘭的寬度:110
珠圈數:2.7×1
動額定負荷:7336
靜額定負荷:19700
剛性:90。
滾珠絲杠副在運用時應留意以下事項:
a.滾珠螺母應在有用行程內活動,需要時在行程兩頭裝備限位,以防止螺母約程離開絲杠軸而使滾珠零落。
b.滾珠絲杠副因為傳動效率高,不克不及自鎖,在用于垂直偏向傳動時,如部件分量未加均衡,必需避免傳動中止或電機掉電后,因部件自重而發生的逆傳動。
c.滾珠絲杠副正常任務情況溫度局限±60℃
瀏覽DFV5020滾珠絲桿的用戶還會?
DFV5010滾珠絲杠、DFV5005滾珠絲杠等。
滾珠絲杠討論①群263545937(專家在線為你解答)歡迎你的加入!
版權所有 © 轉載時必須以鏈接形式注明作者和原始出處!


