當前位置: 滾珠絲桿網 ? 3204滾珠絲杠 ? SFI3204滾珠絲桿
SFI3204滾珠絲桿
雷研精密傳動設備有限公司供應SFI3204滾珠絲桿【貨源充足、價格合理、原裝正品、品牌齊全】請需要SFI3204絲杠的朋友聯系:黃志杰(經理)? 聯系電話:15802034588。
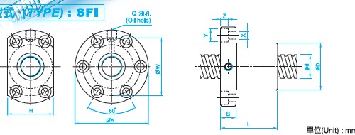
SFI3204滾珠絲杠參數
型號:SFI3204
絲桿外徑:32
導程:4
珠徑:2.381
螺母外徑:46
法蘭直徑:72
法蘭的厚度:12
螺母的長度:47
安裝孔之間的距離:58
法蘭的寬度:52
珠圈數:1×4
動額定負荷:1296
靜額定負荷:4838
剛性:49。
絲杠螺母機構有滑動摩擦機構和滾動摩擦機構之分。滑動絲杠螺母機構(滑動絲杠螺旋副)結構簡單,加工方便,制造成本低,具有自鎖功能,但其摩擦阻力大,傳動效率低(30%~40%)。滾珠絲杠螺母機構(滾珠絲杠螺旋副)雖然結構復雜、制造成本高,但其最大優點是摩擦阻力矩小、傳動效率高(92%~98%),因此在工業機器人系統中得到廣泛應用。
瀏覽SFI3204滾珠絲桿的用戶還會?
DFU3204滾珠絲桿、SCI3204滾珠絲桿等。
滾珠絲杠討論①群263545937(專家在線為你解答)歡迎你的加入!
版權所有 © 轉載時必須以鏈接形式注明作者和原始出處!


