當前位置: 滾珠絲桿網 ? 線性模組 ? 上銀KK60線性模組
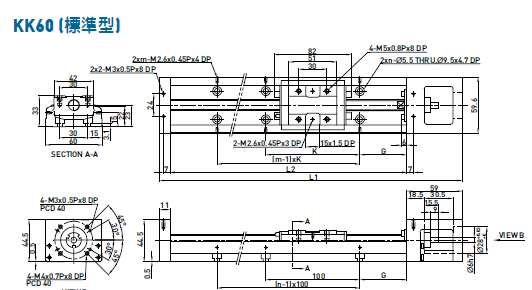
上銀KK60線性模組
雷研精密傳動設備有限公司現貨上銀KK60線性模組【價格合理、原裝正品】請需要KK60線性模組的朋友聯系:黃志杰(經理)? 聯系電話:15802034588。
?KK60線性模組主要是透過模組化之設計,將滾珠絲杠和線性滑軌整合在一起,因此可提供具有高精度、快速 安裝、選用、高剛性、體積小、節省空間等特性。藉由高精度之滾珠絲桿做為傳動機構,以及配合最佳化設計之U型軌道做為導引機構,來確保精度與剛性之需求。
KK60線性模組特性:
〇? 設計及安裝容易
〇? 體積小重量輕
〇? 高精度
〇? 高剛性
〇? 配備齊全
〇? 最適化設計
軌道結構由有限元素分析,得到最好剛性。
【模組化】
KK60線性模組透過模組化之設計,整合滾珠絲桿和線性滑軌,可節省以往傳統致動平臺需經過導引和驅動元 件之選用、安裝校驗、體積大、佔空間等缺點。因此KK工業機器人可提供快速選用、安裝、體積精簡、高剛性 等特性,可大幅減少客戶端的使用空間與時間。
【四方向等負荷】
軌道和滑塊之間的迴流系統,其滾珠與珠槽接 觸面採用2列式歌德牙型之設計,具有45度接觸 角之特性,該設計可使得KK工業機器人可承受 四方向等負荷之能力。
瀏覽該產品的人還會?
KK40線性模組、KK50線性模組、線性模組選型步驟等
滾珠絲杠討論①群263545937(專家在線為你解答)歡迎你的加入!
版權所有 © 轉載時必須以鏈接形式注明作者和原始出處!


