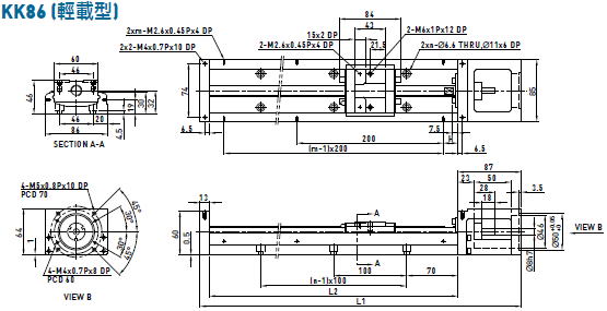
當前位置: 滾珠絲桿網 ? 線性模組 ? 上銀KK86線性模組
上銀KK86線性模組
雷研精密傳動設備有限公司現貨上銀KK86線性模組【價格合理、原裝正品】請需要KK86線性模組的朋友聯系:黃志杰(經理)? 聯系電話:15802034588。
KK86線性模組特性:
高剛性:軌道構型採用U型斷面,并透過有限元素分析軟體的設計,在體積與剛性上取得平衡點,使得軌道具有高剛性、體積精簡、重量輕等特性。
KK86線性模組配套零件
為了因應各種的使用需求,KK86線性模組可另外選購鋁護蓋、伸縮護套、馬達連接法蘭、極限開關。
〇? 鋁護蓋、伸縮護套:可防止異物、雜質進入KK86線性模組之內而影響其使用壽命、精度、順暢度 〇? 馬達連接法蘭:可將各種不同馬達鎖固於KK86線性模組之上
〇? 極限開關:提供滑塊定位、啟動原點以及防止滑塊超過行程之安全機制。
KK86線性模組的潤滑
KK86線性模組若沒有適當的進行給予潤滑,滾動部分的摩擦就會增加,長期的使用下來會成為縮短壽命的主要原因。 潤滑劑便提供下列幾種作用:
●? 減少滾動部分的摩擦、防止燒傷并降低磨損。
●? 在滾動的面與面之間形成油膜,可延長滾動疲勞壽命。
●? 防止生銹。
瀏覽該產品的人還會?
KK60線性模組、KK50線性模組、KK40線性模組等
滾珠絲杠討論①群263545937(專家在線為你解答)歡迎你的加入!
版權所有 © 轉載時必須以鏈接形式注明作者和原始出處!



