當前位置: 滾珠絲桿網 ? 4020滾珠絲杠 ? DFV4020滾珠絲杠
DFV4020滾珠絲杠
雷研精密傳動設備有限公司供應DFV4020滾珠絲杠【貨源充足、價格合理、原裝正品、品牌齊全】滿足客戶的需求。請需要DFV4020滾珠螺桿的朋友聯系:黃志杰(經理)? 聯系電話:15802034588。
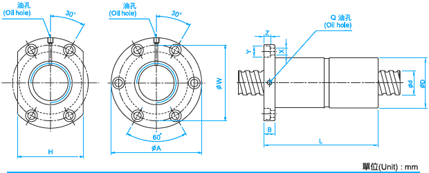
DFV4020滾珠絲桿參數
型號:DFV4020
絲桿外徑:40
導程:20
珠徑:6.35
螺母外徑:82
法蘭直徑:124
法蘭的厚度:18
螺母的長度:200
安裝孔之間的距離:102
法蘭的寬度:90
珠圈數:2.7×1
動額定負荷:3935
靜額定負荷:10893
剛性:74。
【滾珠絲桿的螺距】
如果是絲杠每轉一周螺母移動四個(或五個)螺旋線的距離,那么表示該絲杠是四線(或五線)絲杠,俗稱四頭(或五頭)絲杠。
【自潤式滾珠絲桿】
較節省成本,不需要潤滑管路設備和系統、廢油后續處理及換油的成本,并且大量節省油品之消耗,大幅延長絲桿保養的週期。
瀏覽DFV4020滾珠絲杠的用戶還會?
DFV3206滾珠絲杠、DFV3205滾珠絲桿等。
滾珠絲杠討論①群263545937(專家在線為你解答)歡迎你的加入!
版權所有 © 轉載時必須以鏈接形式注明作者和原始出處!


