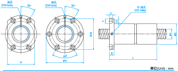
DFV8020滾珠絲桿參數
型號:DFV8020
絲桿外徑:80
導程:20
珠徑:9.525
螺母外徑:143
法蘭直徑:204
法蘭的厚度:28
螺母的長度:340
安裝孔之間的距離:172
法蘭的寬度:148
珠圈數:4.8×1
動額定負荷:15103
靜額定負荷:57296
剛性:226。

【怎樣才能買到質量好的滾珠絲桿或正宗進口的滾珠絲桿】
1.從有信譽的代理商和企業的銷售公司購買。國內大型企業在各地一般都有自己的銷售分支機構,一般這些企業的分支機構是不會賣假貨的;國外知名品牌在國內一般都有自己的指定代理商,購買時要注意該商戶是否有代理證明。
2、直接找滾珠絲桿生產廠家購買。國內生產的滾珠絲杠及相關產品,可以直接找生產企業購買;國外品牌可以與該品牌的駐華機構聯系。
瀏覽DFV8020滾珠絲桿的用戶還會?
DFV8010滾珠絲杠、DFV4005滾珠絲桿等。
DFV8010滾珠絲杠參數
型號:DFV8010
絲桿外徑:80
導程:10
珠徑:6.35
螺母外徑:130
法蘭直徑:176
法蘭的厚度:22
螺母的長度:195
安裝孔之間的距離:152
法蘭的寬度:132
珠圈數:4.8×1
動額定負荷:8593
靜額定負荷:38344
剛性:201。
購買DFV8010滾珠絲桿注意事項:
不要貪圖便宜,在一些沒有資質認證的商家手上購買便宜滾珠絲杠。滾珠絲杠生產是有成本的,而滾珠絲杠價格是由成本決定的。知名企業的產品在生產過程中對原材料,生產工序等都是有嚴格控制的,這在保證其產品品質的基礎上,也使成本相應提高,因此市場價格不會很低。
瀏覽DDFV8010滾珠絲桿的用戶還會?
DFV6230滾珠絲杠、DFV4010滾珠絲桿等
DFV6320滾珠絲桿參數
型號:DFV6320
絲桿外徑:63
導程:20
珠徑:9.525
螺母外徑:122
法蘭直徑:180
法蘭的厚度:28
螺母的長度:220
安裝孔之間的距離:150
法蘭的寬度:130
珠圈數:2.7×1
動額定負荷:8162
靜額定負荷:24741
剛性:107
DFV6320滾珠絲杠副的防護
??? 滾珠絲杠副和其他滾動摩擦的傳動器件一樣,應避免硬質灰塵或切屑污物進入,因此,必須裝有防護裝置。如果滾珠絲杠副在機床上外露,則應采用封閉的防護罩,如采用螺旋彈簧鋼帶套管、伸縮套管以及折疊式套管等。安裝時,將防護罩的一端連接在滾珠螺母的側面,另一端固定在滾珠絲杠的支承座上。
如果滾珠絲杠副處于隱蔽的位置,則可采用密封圈防護,密封圈裝在螺母的兩端。接觸式的彈性密封圈采用耐油橡膠或尼龍制成,其內孔做成與絲杠螺紋滾道相配的形狀;接觸式密封圈的防塵效果好,但由于存在接觸壓力,使摩擦力矩略有增加。
非接觸式密封圈又稱迷宮式密封圈,它采用硬質塑料制成,其內孔與絲杠螺紋滾道的形狀相反,并稍有間隙,這樣可避免摩擦力矩,但防塵效果差。工作中應避免碰擊防護裝置,防護裝置一有損壞應及時更換。
瀏覽DFV6320滾珠絲桿的用戶還會?
DFV6310滾珠絲杠、DFV4020滾珠絲桿等。
DFV6310滾珠絲杠參數
型號:DFV6310
絲桿外徑:63
導程:10
珠徑:6.35
螺母外徑:108
法蘭直徑:154
法蘭的厚度:22
螺母的長度:195
安裝孔之間的距離:130
法蘭的寬度:110
珠圈數:4.8×1
動額定負荷:7860
靜額定負荷:30430
剛性:172。
【滾珠絲桿精度】
ISO 3408-4為基準,根據使用范圍及要求將滾珠絲桿副分為定位滾珠絲桿副(P),傳動滾珠絲桿副(T),精度分為1,2,3,4,5,7,10共七個等級,1級為最高,依次逐漸降低。
【安裝部位精度測試方法】
軸徑相對于螺桿支持部位的跳動。
測試時置滾珠絲桿于AA處V型墊鐵上,同時讓兩塊千分表的測頭分別垂直接觸軸徑的圓柱表面,緩緩轉動絲桿,記下兩塊千分表讀數的變化范圍,取兩塊表讀數最大插枝,既是所要得到的偏差值,然后通過校驗儀器對絲桿進行校驗,通過對絲桿的壓制,使這個偏差值在允許范圍內即可。
瀏覽DFV6310滾珠絲桿的用戶還會?
DFV4020滾珠絲桿、DFV5020滾珠絲杠等。
DFV5020滾珠絲桿參數
型號:DFV5020
絲桿外徑:50
導程:20
珠徑:9.525
螺母外徑:105
法蘭直徑:152
法蘭的厚度:28
螺母的長度:221
安裝孔之間的距離:128
法蘭的寬度:110
珠圈數:2.7×1
動額定負荷:7336
靜額定負荷:19700
剛性:90。
滾珠絲杠副在運用時應留意以下事項:
a.滾珠螺母應在有用行程內活動,需要時在行程兩頭裝備限位,以防止螺母約程離開絲杠軸而使滾珠零落。
b.滾珠絲杠副因為傳動效率高,不克不及自鎖,在用于垂直偏向傳動時,如部件分量未加均衡,必需避免傳動中止或電機掉電后,因部件自重而發生的逆傳動。
c.滾珠絲杠副正常任務情況溫度局限±60℃
瀏覽DFV5020滾珠絲桿的用戶還會?
DFV5010滾珠絲杠、DFV5005滾珠絲杠等。
DFV5010滾珠絲桿參數
型號:DFV5010
絲桿外徑:50
導程:10
珠徑:6.35
螺母外徑:93
法蘭直徑:135
法蘭的厚度:16
螺母的長度:173
安裝孔之間的距離:113
法蘭的寬度:98
珠圈數:4.8×1
動額定負荷:7023
靜額定負荷:23537
剛性:144。
滾珠絲杠優點:
1、摩擦系數極低,且傳動效率高。
2、因摩擦阻抗小,不論迴轉變換成直線運動,或直線變換成迴轉運動均可實現。
3、可計算使用壽命。
4、靜摩擦及動摩擦系數小,因此黏滑效應少,定位控制時較容易達到高精度。
5、可用預壓方式來消除背隙以提高導絲桿之剛性“
6、潤滑保養容易,且若保養恰當,可防止異物入侵。
瀏覽DFV5010滾珠絲桿的用戶還會?
DFV2508滾珠絲杠、DFV2506滾珠絲桿等。
DFV5005滾珠絲杠參數
型號:DFV5005
絲桿外徑:50
導程:5
珠徑:3.175
螺母外徑:80
法蘭直徑:114
法蘭的厚度:15
螺母的長度:115
安裝孔之間的距離:96
法蘭的寬度:82
珠圈數:4.8×1
動額定負荷:2698
靜額定負荷:12053
剛性:122。
【滾珠絲桿的結構】
滾珠絲桿的組成:主要由絲桿、螺母、滾珠和循環器、迷宮式密封圈、油孔等組成。工作原理:在絲桿和螺母上加工有弧行螺旋槽,當它們套裝在一起時便形成螺旋滾道,并在滾道內裝滿滾珠。而滾珠則沿滾道滾動,并經循環器作周而復始的循環運動。循環器兩端還起擋珠的作用,以防滾珠沿滾道掉出。
瀏覽DFV5005滾珠絲桿的用戶還會?
DFV3204滾珠絲杠、DFV2510滾珠絲桿等。
DFV4020滾珠絲桿參數
型號:DFV4020
絲桿外徑:40
導程:20
珠徑:6.35
螺母外徑:82
法蘭直徑:124
法蘭的厚度:18
螺母的長度:200
安裝孔之間的距離:102
法蘭的寬度:90
珠圈數:2.7×1
動額定負荷:3935
靜額定負荷:10893
剛性:74。
【滾珠絲桿的螺距】
如果是絲杠每轉一周螺母移動四個(或五個)螺旋線的距離,那么表示該絲杠是四線(或五線)絲杠,俗稱四頭(或五頭)絲杠。
【自潤式滾珠絲桿】
較節省成本,不需要潤滑管路設備和系統、廢油后續處理及換油的成本,并且大量節省油品之消耗,大幅延長絲桿保養的週期。
瀏覽DFV4020滾珠絲杠的用戶還會?
DFV3206滾珠絲杠、DFV3205滾珠絲桿等。
DFV4010滾珠絲桿參數
型號:DFV4010
絲桿外徑:40
導程:10
珠徑:6.35
螺母外徑:82
法蘭直徑:124
法蘭的厚度:18
螺母的長度:188
安裝孔之間的距離:102
法蘭的寬度:94
珠圈數:4.8×1
動額定負荷:6316
靜額定負荷:18600
剛性:121
【DFV滾珠絲桿的工作原理】
在絲桿和螺母上加工有弧行螺旋槽,當它們套裝在一起時便形成螺旋滾道,并在滾道內裝滿滾珠。而滾珠則沿滾道滾動,并經回珠管作周而復始的循環運動。回珠管兩端還起擋珠的作用,以防滾珠沿滾道掉出。
【滾珠絲桿防塵方法】
滾珠絲桿與滾動軸承一樣,當混入異物或水分時,磨損會加快,嚴重者甚至會導致破損。有鑑於此,本公司的滾珠絲桿螺母的前后兩端皆附有刮刷器,以達到防塵的效果。另外在法蘭面端的刮刷器再加上 O型套環,更可以防止漏油的發生。
瀏覽DFV4010滾珠絲桿的用戶還會?
DFV4005滾珠絲杠、DFV3208滾珠絲杠等
DFV4005滾珠絲杠參數
型號:DFV4005
絲桿外徑:40
導程:5
珠徑:3.175
螺母外徑:67
法蘭直徑:101
法蘭的厚度:15
螺母的長度:109
安裝孔之間的距離:83
法蘭的寬度:72
珠圈數:4.8×1
動額定負荷:2468
靜額定負荷:9586
剛性:105
DFV滾珠絲杠的選定要領
選擇滾珠絲桿時, 首先要儘量地調查清楚運轉條件再決定設計,這是最基本的原則。而且,選擇的要素有負荷重量、衝程、力矩、定位精度、重覆定位精度、剛性、導程、螺帽孔徑等,各個要素之間都有關連,其中一頂要素改變就會引起其他要素的改變,必須注意各要素之間的均衡。
滾珠絲桿的壽命
滾珠絲桿即使用正確狀態下使用,在經過一段時間后也會因劣化而無法再使用時間即為滾珠絲桿的壽命,一般區分為兩種:
a.疲勞壽命 : 發生剝離現象時稱之。
b.精度壽命 : 因磨損導致精度劣化時稱之。
瀏覽DFV4005滾珠絲杠的用戶還會?
DFV3220滾珠絲桿、DFV3210滾珠絲桿等。